浏览数量: 9 作者: 本站编辑 发布时间: 2026-02-06 来源: 本站
作为国内专业的管件与法兰产品的供应商,上海著诚管件制造有限公司不仅可以提供高质量的压力管道、管件和法兰等产品,同时具备承接各种来图加工定制产品的能力。不久前,我们成功为国内重点客户完成了一批质量要求严格的90度5D弯管焊接法兰产品,再次证明了我们在特种管件制造领域的专业能力。

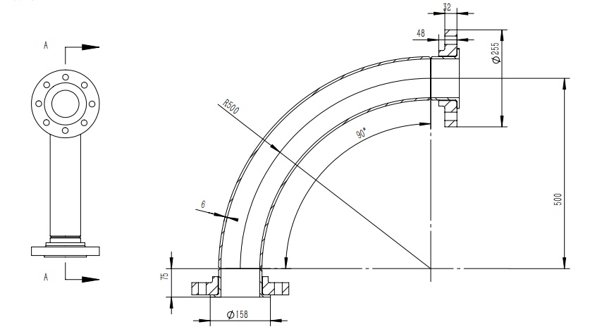
弯管尺寸规格:90度5D弯管;DN100(114.3mm),壁厚SCH40 (6.02mm);
松套法兰压力等级:CLASS 300,符合ASME B16.5法兰标准,与翻边短节配套使用,适用于中高压管道系统;
专业的材料选择:弯管采用API 5L GRB材料,松套法兰采用ASTM A105材料;
完整的焊接方案:将翻边短节与法兰、弯管进行专业化焊接;
我们在接到订单后,从材料入厂复验、下料切割、弯管成型、坡口加工到组对焊接,每一道工序都有专门的质检人员跟踪检测,确保完全符合图纸要求。
考虑到产品在运输和搬运过程中可能受到的冲击,我们为此批产品专门设计了防护包装方案:
定制木箱:根据产品尺寸和重量设计加固结构,确保运输安全
多层防护:产品表面先进行喷砂处理,再用气泡膜缠绕保护;
通过这次订单的成功交付,我们不仅满足了客户的当前需求,还积累了宝贵的技术数据和服务经验。

90度弯管是管道系统中实现方向改变的重要管件,其弯曲半径是重要技术参数。常见的弯曲半径规格包括:
3D弯管:弯曲半径等于管道直径的3倍,适用于空间受限的场合。
5D弯管:弯曲半径等于管道直径的5倍,兼顾转向效率与流体平顺性,是石油、化工等行业的常用规格。
10D弯管:弯曲半径更大,流阻小、磨损低,适用于对流体平稳性要求高的系统。
不同弯曲半径的选择需综合考虑安装空间、系统压力、介质特性与长期运行需求。
翻边法兰是一种通过翻边短节与管道对焊连接的法兰类型。其特点包括:
结构强度高:颈部设计有效分散应力,适用于高压、高温工况。
密封性能好:与垫片配合可实现长期可靠的密封。
安装对中性优:翻边短节与管道对焊,易于对齐,减少安装应力。
适用介质广泛:可用于蒸汽、油气、化工介质等多种管道系统。
在本次订单中,翻边短节与90度5D弯管两端焊接,再与CLASS300法兰配套,形成整体牢固、密封可靠的管件组合。
API 5L GR.B是美国石油学会的材料标准,属于低碳钢,具有良好的可焊性与一定的机械强度。其屈服强度≥245MPa,抗拉强度≥415MPa,常用于中低压油气输送、结构支撑等场合,经济实用且加工性能良好。
化学成分
| CHEMICAL | LIMITS | C | Mn | P | S | Si | Ti |
| API 5L GRB PSL1 | MIN | ||||||
| MAX | 0.28 | 1.2 | 0.030 | 0.030 | |||
| API 5L GRB PSL2 | MIN | ||||||
| MAX | 0.24 | 1.2 | 0.025 | 0.015 | 0.4 | 0.04 |
机械性能
| MATERIAL | T.S (MPA) | Y.S (MPA) |
| API 5L B PSL1 | 415min | 245min |
| API 5L B PSL2 | 415-760 | 245-450 |
这是锻钢法兰及管件的标准材料,属于低碳锻钢,具有良好的强度与塑韧性。其常用于高温高压服役环境,符合CLASS300压力等级要求,具备优良的机加工与焊接性能,是管道法兰的常用材质。
化学成分
| CHEMICAL | LIMITS | C | Mn | P | S | Si | Cu | Ni | Cr | Mo | V |
| ASTM A105 | MIN | 0.60 | 0.10 | ||||||||
| MAX | 0.35 | 1.05 | 0.035 | 0.040 | 0.35 | 0.40 | 0.40 | 0.30 | 0.12 | 0.08 |
机械性能
| MATERIAL | T.S (MPA) | Y.S (MPA) | EL % | R/A % | HARDNESS |
| ASTM A105 | 485 min | 250 min | 22 min | 30 min | 197 max |
两者组合,在保证整体结构强度的同时,兼顾了经济性与工艺适应性。
该类产品广泛应用于:
石油化工系统:用于工艺管道、输送管线方向转换。
电力电站:蒸汽管道、循环水系统。
造船与海洋工程:管路布局中的空间转向连接。
工业锅炉与压力容器:介质进出口管道配置。
市政与建筑管道:暖通、消防等系统的管道安装。
上海著诚管件制造有限公司不仅具备成熟的生产工艺与严格的质量控制体系,还可根据客户图纸进行定制化焊接加工。我们从材料采购、成型焊接、检测试压到防护包装,确保每批产品均符合技术要求与交货期。
上海著诚管件制造有限公司始终坚持以客户需求为导向,致力于为国内外客户提供更优质、更可靠的管件产品和服务。欢迎广大客户来电来图咨询,我们将为您提供专业的技术建议和经济的解决方案。
上海著诚管件制造有限公司作为一家专业的工程制造服务商,在工业管道领域深耕多年,集加工制造、定制服务与销售于一体。公司可承接各类工业管道系统装配、预制管段加工、钢结构工程、防护围栏及非标金属构件定制项目。从材料切割、成型、打磨到焊接组装,我们提供一站式加工服务,助力客户缩短供应链、降低成本、提升项目执行效率。
质量把控:严格实施质量控制体系,从原料采购、加工工艺到产品交付,全流程把控产品的质量。
定制服务:我们始终坚持以项目需求为基础,为客户提供弯曲加工、切割成型、表面打磨、坡口处理及专业焊接等加工制造服务。
专业售后:经验丰富的业务团队,为客户提供专业的技术支持及问题解决方案。
上海著诚管件制造有限公司致力于为客户提供从图纸、加工制造再到成品交付的一站式解决方案,欢迎各类工程项目方、承包商及企业客户来电来图咨询,我们将为您提供专业的技术支持与高效的制造服务,期待成为您值得信赖的合作伙伴。
电话:18625862121(微信同号)