浏览数量: 26 作者: 本站编辑 发布时间: 2024-10-31 来源: 本站
A182 F316 松套法兰利用翻边、钢环等将法兰套在管端上,使得法兰可以在管端上活动。钢环或翻边作为密封面,法兰的作用是将它们压紧。由于被钢环或翻边挡住,松套法兰不与介质直接接触。A182 F316 具有良好的抗腐蚀性能,能够抵抗多种腐蚀介质的侵蚀。在不同的环境中,如潮湿的大气环境、含有腐蚀性化学物质的工业环境等,不锈钢松套法兰可以保持其结构完整性和性能。
松套法兰广泛应用于各种管道连接,如水、气、油、蒸汽等介质的管道系统。特别是在给排水配件上,如伸缩节上最常见。此外,松套法兰还常用于需要密封连接的场合,如化工、石油、天然气等行业。
A182 F316 松套法兰的规格
Size Range | 1/2" - 24” / DN15 - DN600 |
Pressure Rating | Class 150, 300, 600, 900, 1500, 2500lb |
Standard | ASME B16.5, EN1092-1 |
Carbon Steel | ASTM A105 / A105N |
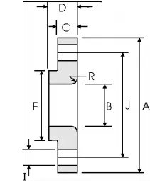
松套法兰的尺寸和重量
ASME B16.5 是美国机械工程师协会(ASME)发布的一项非常重要的管道法兰和法兰管件标准。在国际上,特别是在石油、化工、电力等工业领域,被广泛认可和采用。它为松套法兰等各类法兰的设计、制造、检验等提供了统一的规范,确保了不同制造商生产的法兰具有互换性和兼容性。该标准适用于压力从150到2500等级的管道法兰和法兰管件。涵盖了多种材质的法兰,包括不锈钢等材质,适用于松套法兰的生产。其适用的管道尺寸范围广泛,从1/2英寸到24英寸。
根据ASME B16.5 标准,A182 F316 松套法兰的外径和内径有着明确的规定。例如,对于直径为1英寸、压力为150磅级别的松套法兰,其外径可能规定为4.25英寸左右,内径则要根据与之连接的管道外径来确定,一般要保证有合适的间隙以便于松套连接。

NPS | A | B | C | D | R | F | H | I | J | W |
inch | inch | inch | inch | inch | inch | No. of Holes | inch | inch | kg/pc | |
mm | mm | mm | mm | mm | mm | mm | mm | |||
1/2 | 3.500 | 0.900 | 0.440 | 0.620 | 0.120 | 1.190 | 4 | 0.620 | 2.380 | 0.38 |
88.90 | 22.90 | 11.20 | 15.70 | 3.000 | 30.20 | 15.70 | 60.45 | |||
3/4 | 3.880 | 1.110 | 0.500 | 0.620 | 0.120 | 1.500 | 4 | 0.620 | 2.750 | 0.55 |
98.60 | 28.20 | 12.70 | 15.70 | 3.000 | 38.10 | 15.70 | 69.85 | |||
1 | 4.250 | 1.380 | 0.560 | 0.690 | 0.120 | 1.940 | 4 | 0.620 | 3.120 | 0.76 |
108.0 | 35.10 | 14.20 | 17.50 | 3.000 | 49.30 | 15.70 | 79.25 | |||
1-1/4 | 4.620 | 1.720 | 0.620 | 0.810 | 0.190 | 2.310 | 4 | 0.620 | 3.500 | 1.01 |
117.3 | 43.70 | 15.70 | 20.60 | 4.800 | 58.70 | 15.70 | 88.90 | |||
1-1/2 | 5.000 | 1.970 | 0.690 | 0.880 | 0.250 | 2.560 | 4 | 0.620 | 3.880 | 1.30 |
127.0 | 50.00 | 17.50 | 22.40 | 6.400 | 65.00 | 15.70 | 98.60 | |||
2 | 6.000 | 2.460 | 0.750 | 1.000 | 0.310 | 3.060 | 4 | 0.750 | 4.750 | 2.03 |
152.4 | 62.5 | 19.10 | 25.40 | 7.900 | 77.70 | 19.10 | 120.7 | |||
2-1/2 | 7.000 | 2.970 | 0.880 | 1.120 | 0.310 | 3.560 | 4 | 0.750 | 5.500 | 3.25 |
177.8 | 75.40 | 22.40 | 28.40 | 7.900 | 90.40 | 19.10 | 139.7 | |||
3 | 7.500 | 3.600 | 0.940 | 1.190 | 0.380 | 4.250 | 4 | 0.750 | 6.000 | 3.81 |
190.5 | 91.40 | 23.90 | 30.20 | 9.700 | 108.0 | 19.10 | 152.4 | |||
3-1/2 | 8.500 | 4.100 | 0.940 | 1.250 | 0.380 | 4.810 | 8 | 0.750 | 7.000 | 4.76 |
215.9 | 104.1 | 23.90 | 31.75 | 9.700 | 122.2 | 19.10 | 177.8 | |||
4 | 9.000 | 4.600 | 0.940 | 1.310 | 0.440 | 5.310 | 8 | 0.750 | 7.500 | 5.25 |
228.6 | 116.8 | 23.90 | 33.30 | 11.20 | 134.9 | 19.10 | 190.5 | |||
5 | 10.00 | 5.690 | 0.940 | 1.440 | 0.440 | 6.440 | 8 | 0.880 | 8.500 | 6.02 |
254.0 | 114.5 | 23.90 | 36.60 | 11.20 | 163.6 | 22.40 | 215.9 | |||
6 | 11.00 | 6.750 | 1.000 | 1.560 | 0.500 | 7.560 | 8 | 0.880 | 9500 | 7.40 |
279.4 | 171.5 | 25.40 | 39.60 | 12.70 | 192.0 | 22.40 | 241.3 | |||
8 | 13.50 | 8.750 | 1.120 | 1.750 | 0.500 | 9.690 | 8 | 0.880 | 11.75 | 12.1 |
342.9 | 222.3 | 28.40 | 44.50 | 12.70 | 246.1 | 22.40 | 298.5 | |||
10 | 16.00 | 10.92 | 1.190 | 1.940 | 0.500 | 12.00 | 12 | 1.000 | 14.25 | 16.4 |
406.4 | 277.4 | 30.20 | 49.30 | 12.70 | 304.8 | 25.40 | 362.0 | |||
12 | 19.00 | 12.92 | 1.250 | 2.190 | 0.500 | 14.38 | 12 | 1.000 | 17.00 | 26.1 |
482.6 | 328.2 | 31.75 | 55.60 | 12.70 | 365.3 | 25.4 | 431.8 | |||
14 | 21.00 | 14.18 | 1.380 | 3.120 | 0.500 | 15.75 | 12 | 1.120 | 18.75 | 34.5 |
533.4 | 360.2 | 35.10 | 79.25 | 12.7 | 400.1 | 28.4 | 476.3 | |||
16 | 23.5 | 16.19 | 1.440 | 3.440 | 0.500 | 18.00 | 16 | 1.120 | 21.25 | 44.6 |
296.9 | 411.2 | 36.60 | 87.40 | 12.70 | 457.2 | 284 | 539.8 | |||
18 | 25.00 | 18.20 | 1.560 | 3.810 | 0.500 | 19.88 | 16 | 1.250 | 22.75 | 48.7 |
635.0 | 462.3 | 39.60 | 96.80 | 12.70 | 505.0 | 31.75 | 577.9 | |||
20 | 27.5 | 20.25 | 1.690 | 4.060 | 0.500 | 22.00 | 20 | 1.125 | 25.00 | 61.6 |
698.5 | 514.4 | 42.90 | 103.1 | 12.70 | 558.8 | 31.75 | 635 | |||
24 | 32.00 | 24.25 | 1.880 | 4.380 | 0.500 | 26.12 | 20 | 1.380 | 29.50 | 86.6 |
812.8 | 616.0 | 47.80 | 111.3 | 12.70 | 663.4 | 35.10 | 749.3 |
A182 F316 松套法兰的压力等级
ANSI/ASMEB16.5 | PRESSURE RATING CHART | ||||||
Temperature °F | 150 | 300 | 400 | 600 | 900 | 1500 | 2500 |
-20 to 100 | 230 | 600 | 800 | 1200 | 1800 | 3000 | 5000 |
200 | 195 | 510 | 680 | 1020 | 1535 | 2555 | 4260 |
300 | 175 | 455 | 610 | 910 | 1370 | 2280 | 3800 |
400 | 160 | 420 | 560 | 840 | 1260 | 2100 | 3500 |
500 | 150 | 395 | 525 | 785 | 1180 | 1970 | 3280 |
600 | 140 | 370 | 495 | 745 | 1115 | 1860 | 3100 |
650 | 125 | 365 | 485 | 730 | 1095 | 1825 | 3040 |
700 | 110 | 360 | 480 | 720 | 1080 | 1800 | 3000 |
750 | 95 | 355 | 470 | 705 | 1060 | 1765 | 2940 |
800 | 80 | 345 | 460 | 690 | 1035 | 1730 | 2880 |
850 | 65 | 340 | 450 | 675 | 1015 | 1690 | 2820 |
松套法兰的检验包括哪些
ASME B16.5 标准规定了松套法兰上螺栓孔的数量和直径。例如,对于8英寸、压力为150磅级别的松套法兰,规定有8个螺栓孔,每个螺栓孔的直径为7/8”。螺栓孔的数量和直径随着直径和压力等级的增加而相应增加,以确保法兰连接的紧固性和密封性。
松套法兰的密封面形式在ASME B16.5 标准中有明确规定,RF密封面标准规定了突面的高度、表面粗糙度等参数。表面粗糙度要达到一定的标准,以保证与垫片良好的配合,实现密封功能。
对A182 F316 松套法兰进行光谱检验的主要目的之一是验证其化学成分。316不锈钢的标准化学成分有明确规定,化学成分表如下图:
CHEMICAL | LIMITS | C | Mn | P | S | Si | Ni | Cr | Mo | N |
ASTM A182 F316 | MIN | 10.0 | 16.0 | 2.00 | ||||||
MAX | 0.08 | 2.00 | 0.045 | 0.030 | 1.00 | 14.0 | 18.0 | 3.00 | 0.01 |
通过光谱检验,可以确保法兰的实际化学成分符合316不锈钢的标准要求,从而保证其性能,如抗腐蚀性、强度等。下图的光谱检验图片中的各项化学成分均符合标准。

内容为空!