浏览数量: 17 作者: 本站编辑 发布时间: 2024-11-01 来源: 本站
A182 长颈对焊法兰,是一种用于管道系统和工业应用的特定类型的法兰。长颈对焊法兰的显著特点是具有长颈结构。长颈部分的存在增加了法兰的刚性,使其能够更好地承受管道系统中的压力、温度变化以及外部载荷。这些法兰旨在以安全防漏的方式连接管道、阀门和其他设备。长焊颈法兰的显著特征是细长的颈部或轮毂,这在特定应用中具有多种优势。
对焊连接能够提供高强度的连接,保证管道系统在运行过程中的整体性和密封性。在焊接时,法兰的颈部与管道的端部进行对接焊接,焊接接头需要满足严格的焊接质量要求,如焊缝的熔深、余高、外观质量等。
A182 材质具有良好的耐腐蚀性,这使得长颈对焊法兰适用于各种腐蚀性介质的管道系统。例如,在化工、海洋工程、食品加工等领域,不锈钢长颈对焊法兰能够抵抗酸、碱、盐等腐蚀性物质的侵蚀,延长管道系统的使用寿命。
长颈对焊法兰的规格
Size: | 1/2″ (15 NB) to 48″ (1200NB) |
Class: | 150 LBS, 300 LBS, 600 LBS, 900 LBS, 1500 LBS, 2500 LBS DIN Standard ND-6,10, 16, 25, 40 Etc. |
Carbon Steel | ASTM A105 / A105N |
Low Temp Carbon Steel | ASTM A350 LF2/LF3 |
Pipeline Steel | ASTM A694 F42 / 46 / 56 / 60 / 65 |
Alloy Steel | ASTM A182 F11 / 12 / 5 / 9 / 91 / 92 |
Stainless Steel | ASTM A182 F304/304L/304H, 316/316L, 310S, 317,347,904L |
Duplex Stainless Steel | ASTM A182 F51, F53, F44 |
Copper Alloy Steel | ASTM SB 61 , SB62 , SB151 , SB152 UNS No. C 70600 (Cu-Ni 90/10), |
Nickel Alloy | ASTM SB564, SB160, SB472, SB162 Nickel 200 (UNS No. N02200), Nickel 201 (UNS No. N02201), Monel 400 (UNS |
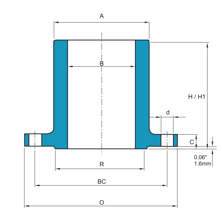
A182 长颈对焊法兰的尺寸
长颈对焊法兰的压力有150 #, 300 #, 600 #, 900 #, 1500#, 2500#,尺寸范围从1/2”到48”
150#尺寸表

Nominal | Outside | Thickness | O.D. of | Hub | Diameter | Length Through Hub | Diameter | Number | Diameter | |
O | C | R | A | B | H | H1 | BC | D | ||
1/2 | 89 | 11.1 | 34.9 | 30.2 | 12.7 | 228.6 | 304.8 |
| 4 | 15.8 |
3/4 | 98.5 | 12.7 | 42.9 | 38.1 | 19.1 | 228.6 | 304.8 | 69.9 | 4 | 15.8 |
1 | 108 | 14.3 | 50.8 | 50.8 | 25.4 | 228.6 | 304.8 | 79.4 | 4 | 15.8 |
1 1/4 | 117.5 | 15.9 | 63.5 | 60.3 | 31.8 | 228.6 | 304.8 | 88.9 | 4 | 15.8 |
1 1/2 | 127 | 17.5 | 73 | 66.7 | 38.1 | 228.6 | 304.8 | 98.4 | 4 | 15.8 |
2 | 152.5 | 19.1 | 92.1 | 82.5 | 50.8 | 228.6 | 304.8 | 120.7 | 4 | 19 |
2 1/2 | 178 | 22.2 | 104.8 | 95.2 | 63.5 | 228.6 | 304.8 | 139.7 | 4 | 19 |
3 | 190.5 | 23.8 | 127 | 107.9 | 76.2 | 228.6 | 304.8 | 152.4 | 4 | 19 |
3 1/2 | 216 | 23.8 | 139.9 | 124 | 88.9 | 228.6 | 304.8 | 177.8 | 8 | 19 |
4 | 228.5 | 23.8 | 157.2 | 139.7 | 101.6 | 228.6 | 304.8 | 190.5 | 8 | 19 |
5 | 254 | 23.8 | 185.7 | 165.1 | 127 | 228.6 | 304.8 | 215.9 | 8 | 22.5 |
6 | 279.5 | 25.4 | 215.9 | 196.8 | 152.4 | 228.6 | 304.8 | 241.3 | 8 | 22.5 |
8 | 343 | 28.6 | 269.9 | 247.6 | 203.2 | 228.6 | 304.8 | 298.4 | 8 | 22.5 |
10 | 406.5 | 30.2 | 323.9 | 304.8 | 254 | 228.6 | 304.8 | 361.9 | 12 | 25.5 |
12 | 482.5 | 31.8 | 381 | 365.1 | 304.8 | 228.6 | 304.8 | 431.8 | 12 | 25.5 |
14 | 533.5 | 34.9 | 412.8 | 406.4 | 355.6 | 228.6 | 304.8 | 476.2 | 12 | 28.5 |
16 | 597 | 36.5 | 469.9 | 457.2 | 406.4 | 228.6 | 304.8 | 539.7 | 16 | 28.5 |
18 | 635 | 39.7 | 533.4 | 508 | 457.2 | 228.6 | 304.8 | 577.8 | 16 | 31.8 |
20 | 698.5 | 42.9 | 584.2 | 558.8 | 508 | 228.6 | 304.8 | 635 | 20 | 31.8 |
24 | 813 | 47 | 692.2 | 666.7 | 609.6 | 228.6 | 304.8 | 749.3 | 20 | 35.1 |
长颈对焊法兰的材质
F304 化学元素
CHEMICAL | LIMITS | C | Mn | P | S | Si | Ni | Cr | Mo | N |
ASTM A182 F304 | MIN | 8.0 | 18.0 | |||||||
MAX | 0.08 | 2.00 | 0.045 | 0.030 | 1.00 | 11.0 | 20.0 | 0.10 | ||
ASTM A182 F304L | MIN | 8.00 | 18.00 | |||||||
MAX | 0.03 | 2.00 | 0.045 | 0.030 | 1.00 | 13.00 | 20.00 | 0.10 |
A182 长颈对焊法兰中铬的含量约为18% - 20%。铬是不锈钢中最重要的合金元素,它能在不锈钢表面形成一层致密的氧化铬保护膜,阻止氧气和其他腐蚀性介质进一步侵蚀不锈钢基体,从而提高不锈钢的耐腐蚀性。
锰的含量在2%左右。锰在不锈钢中主要起稳定奥氏体组织的作用,同时也有助于提高不锈钢的强度。
F304 机械性能
MATERIAL | T.S (MPA) | Y.S (MPA) | EL % | R/A % |
ASTM A182 F304 | 515 min | 205 min | 30 min | 50 min |
ASTM A182 F304L | 485 min | 170 min | 30 min | 50 min |
F304 具有较好的强度和韧性。其屈服强度一般在205MPa以上,抗拉强度在515MPa以上。这种机械性能使得304不锈钢长颈对焊法兰能够承受一定的压力,适用于中低压管道系统。
F316 化学元素
CHEMICAL | LIMITS | C | Mn | P | S | Si | Ni | Cr | Mo | N |
ASTM A182 F316 | MIN | 10.0 | 16.0 | 2.00 | ||||||
MAX | 0.08 | 2.00 | 0.045 | 0.030 | 1.00 | 14.0 | 18.0 | 3.00 | 0.01 |
镍含量在10% - 14%之间。较高的镍含量进一步提高了316不锈钢的耐腐蚀性和韧性。
钼含量约为2% - 3%。钼是316不锈钢区别于304不锈钢的重要元素,它能显著提高不锈钢对含氯离子等腐蚀性介质的抵抗能力。在海洋环境、含有氯离子的化工介质中,钼的存在使316不锈钢表现出优异的耐腐蚀性。
F316 机械性能
MATERIAL | T.S (MPA) | Y.S (MPA) | EL % | R/A % |
ASTM A182 F316 | 515 min | 205 min | 30 min | 50 min |
F316长颈对焊法兰的屈服强度一般在205MPa以上,抗拉强度在515MPa以上,与304不锈钢相近,能够满足中低压管道系统的强度要求。
如何检验长颈对焊法兰?
检验A182 长颈对焊法兰时,尺寸检验可以使用游标卡尺或数显卡尺测量法兰的外径、内径、厚度、颈部长度等尺寸。测量时,要确保卡尺与被测部位垂直且贴合紧密,以获取准确的尺寸数据。
材质检验可以采用光谱分析或化学分析方法对长颈对焊法兰的材质进行化学成分分析,确定铬、镍、钼等元素的含量是否符合相应不锈钢材质(如304、316等)的标准要求。
A182 F304 长颈对焊法兰
法兰表面
检测法兰
测量螺栓孔
内容为空!