浏览数量: 10 作者: Chaos 发布时间: 2024-03-13 来源: 本站
支管座是一种常见的锻制管件,常用于管道和设备的连接,ASTM A105螺纹支管座是我们公司的优势产品,在日常出口产品中占据一定的比重。不久前,我们收到了来自印度尼西亚的ASTM A105螺纹支管座的订单。该订单支管座尺寸要求1/2" X 2"和1" X2",压力3000LBS。

支管座与主管通常采用焊接方式连接,而与支管或其他管(如短管、丝堵等)、仪表、阀门的连接则可以采用对焊连接、承插焊连接或螺纹连接三种型式。这种多样化的连接方式使得支管座能够适应不同的管道系统和安装需求。
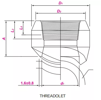
螺纹支管座是一种高效、可靠的管道连接元件,广泛应用于各种工业管道系统中,其基部与对焊支管台相同,但分支连接则采用螺纹连接,不需要焊接。这种设计方式使得螺纹支管座在安装和维护过程中更加方便快捷,特别是在一些难以进行焊接操作的环境或场景中,螺纹支管座的优势更加明显。
ASTM A105螺纹支管座的尺寸范围
常规的螺纹支管座尺寸范围在1/8英寸到4英寸之间,;常见的压力等级包括3000LBS (SCH XS)和6000LBS(160)。原材料包括碳钢,不锈钢,合金钢,低温钢等多种材质。

ASTM A105螺纹支管座的材质特点
ASTM A105螺纹支管座本体采用优质碳钢材料锻造而成,从而保证了其强度和耐腐蚀性,能够适应各种恶劣的工作环境。ASTM A105是美国材料试验协会(ASTM)制定的管道元件用碳钢锻件材料标准。ASTM A105的化学成分有着严格的规定,以确保其特定的物理和化学性能。
化学成分

在机械性能方面,ASTM A105标准规定了抗拉强度、屈服强度、伸长率和冲击韧性等关键指标。这些指标确保了A105钢材在管道系统中的可靠性和耐用性。
机械性能

此外,ASTM A105标准还对锻件的表面质量提出了要求,要求其光滑平整,不得有裂缝、污点和明显的表面缺陷。这种对表面质量的严格控制,有助于提高管道系统的密封性和安全性。
应用范围
ASTM A105螺纹支管座主要用于支管连接的补强,能够代替传统的异径三通、补强板、加强管段等支管连接型式。它具有安全可靠、降低造价、施工简单、改善介质流道、系列标准化、设计选用方便等突出优点。特别是在高压、高温、大口径、厚壁管道中的使用日益广泛,逐渐取代了传统的支管连接方法。
ASTM A105螺纹支管座具有一系列显著的优势,这些优势使其在工业管道系统中得到了广泛的应用。以下是一些主要优势:
安装便捷性:ASTM A105螺纹支管座采用螺纹连接方式,无需焊接,大大简化了安装过程。这种设计使得在难以进行焊接操作的环境或场景中,安装工作变得更加容易和高效。
高强度和耐用性:ASTM A105是一种优质的碳钢材料,性价比高而且经久耐用,这使得ASTM A105螺纹支管座能够承受高压力、高温度等恶劣工作环境的考验,确保管道系统的长期稳定运行。
良好的密封性能:ASTM A105螺纹支管座采用锻造工艺制造而成,设计精良,密封性能优越。它能够有效防止介质泄漏,确保管道系统的安全运行。
广泛适用性:ASTM A105螺纹支管座适用于各种不同规格的管道、阀门、仪表等元件进行连接,满足不同管道系统的需求。
降低工程造价:由于其安装简便、材料利用率高以及减少了焊接工作量等特点,ASTM A105螺纹支管座有助于降低工程造价,提高工程效益。
MSS SP-97螺纹支管座
ASTM A105螺纹支管座按照美标MSS SP-97生产标准制造,这使得螺纹支管座的设计、制造和安装都有明确的规范可循,有利于产品的互换性和通用性,提高了工程设计和施工的便利性。MSS SP-97是美标锻制支管座的生产标准,根据这个标准,可以设计和制造出各种类型的支管接头,如对焊支管座、螺纹支管座、承插支管座等。MSS SP-97标准还规定了出口配件的端部类型,这些类型应符合ASME B16.25(对焊端)或ASME B16.11(承插焊接和螺纹端)的要求。
总的来说,MSS SP-97为锻制支管座的设计和制造提供了一个全面的、标准化的指导,确保了支管座的质量和性能,使其在管道系统中能够发挥重要的作用。
MSS SP-97尺寸参数


ASTM A105螺纹支管座重量表
