浏览数量: 391 作者: 本站编辑 发布时间: 2024-07-25 来源: 本站
不锈钢螺纹活接头也叫由任,是一种以螺纹形式进行连接的的管道配件,是工业和生活中最常见的一种管件。螺纹活接头使管道的连接变得更简单,拆卸更换也更容易,大大节省了管道连接的成本。其生产标准采用美标MSS SP-83,这种设计使得不锈钢螺纹活接头在连接管道时既方便又可靠。
不锈钢螺纹活接头的规格范围
尺寸范围 | 1/8” - 3” / DN6 - DN80 |
压力等级 | 3000lbs |
生产标准 | MSS SP-83 |
螺纹形式 | NPT, PT, BSPP, BSPT, PF |
不锈钢 | ASTM A182 F304/304L/304H, 316/316L, 310S, 317,347,904L |
双相不锈钢 | ASTM A182 F51, F53, F44 |
MSS SP-83活接头通常采用螺纹连接,螺纹规格可能包括BSP(英国标准管螺纹)、NPT(美国标准锥管螺纹)等多种类型。

材质与特性
不锈钢螺纹活接头一般采用304、316等不锈钢材质制造,这些材质具有良好的耐腐蚀性和机械性能,能够满足各种复杂环境下的使用要求。
化学成分
CHEMICAL | LIMITS | C | Mn | P | S | Si | Ni | Cr | Mo | N |
ASTM A182 F304 | MIN | 8.0 | 18.0 | |||||||
MAX | 0.08 | 2.00 | 0.045 | 0.030 | 1.00 | 11.0 | 20.0 | 0.10 | ||
ASTM A182 F316 | MIN | 10.0 | 16.0 | 2.00 | ||||||
MAX | 0.08 | 2.00 | 0.045 | 0.030 | 1.00 | 14.0 | 18.0 | 3.00 | 0.01 |
不锈钢材质能够抵抗多种化学物质的侵蚀,确保接头在长期使用过程中不会生锈或腐蚀。
机械性能
MATERIAL | ASTM A182 F304 | ASTM A182 F316 |
T.S (MPA) | 515 min | 515 min |
Y.S (MPA) | 205 min | 205 min |
EL % | 30 min | 30 min |
R/A % | 50 min | 50 min |
不锈钢螺纹活接头经过精密加工和热处理,具有较高的强度和韧性,能够承受较大的压力和拉力。
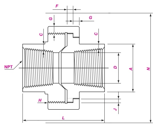
MSS SP-83活接头尺寸参数
MSS SP-83活接头的尺寸参数涉及多个方面,包括外径、内径、螺纹尺寸、壁厚等,并且这些参数会根据具体的规格型号而有所不同。

公称尺寸 | 端部外径 | 壁厚 | 流通孔径 | 突缘厚度 | 螺母厚度 | 每英寸螺纹数 | 螺母承缘高度 | 组装长度 | 螺母组装空间 | |
DN | NPS | Amin | Cmin | D | Fmin | Gmin | H | Jmin | Lnom | N |
6 | 1/8 | 14.7 | 2.4 | 8.4 | 3.2 | 3.2 | 16 | 1.2 | 41.4 | 51 |
8 | 1/4 | 19.1 | 3.0 | 11.1 | 3.2 | 3.2 | 16 | 1.2 | 41.4 | 51 |
10 | 3/8 | 22.9 | 3.2 | 14.3 | 3.4 | 3.4 | 14 | 1.4 | 46.0 | 56 |
15 | 1/2 | 27.7 | 3.7 | 17.9 | 3.7 | 3.7 | 14 | 1.5 | 49.0 | 59 |
20 | 3/4 | 33.5 | 3.9 | 23.0 | 4.1 | 4.1 | 11 | 1.7 | 56.9 | 66 |
25 | 1 | 41.4 | 4.5 | 29.0 | 4.6 | 4.4 | 11 | 1.9 | 62.0 | 79 |
32 | 1¼ | 50.5 | 4.9 | 37.7 | 5.3 | 5.2 | 10 | 2.1 | 71.1 | 94 |
40 | 1½ | 57.2 | 5.1 | 43.5 | 5.8 | 5.6 | 10 | 2.3 | 76.5 | 112 |
50 | 2 | 70.1 | 5.5 | 55.6 | 6.6 | 6.4 | 10 | 2.7 | 86.1 | 132 |
65 | 2½ | 85.3 | 7.0 | 66.3 | 7.5 | 7.1 | 8 | 3.1 | 102.4 | 150 |
80 | 3 | 102.4 | 7.6 | 82.6 | 8.3 | 8.0 | 8 | 3.5 | 109.0 | 176 |
重量表(KG)
公称尺寸 | 活接头 | |
Nominal size | Union | |
DN | NPS | 3000 |
6 | 1/8 | 0.25 |
8 | 1/4 | 0.30 |
10 | 3/8 | 0.35 |
15 | 1/2 | 0.46 |
20 | 3/4 | 0.61 |
25 | 1 | 0.85 |
32 | 1¼ | 1.35 |
40 | 1½ | 1.92 |
50 | 2 | 2.85 |
65 | 2½ | 4.90 |
80 | 3 | 7.10 |
不锈钢螺纹活接头和不锈钢对焊活接头的区别
不锈钢螺纹活接头
使用场景:由于其安装拆卸方便,特别适用于需要频繁维护和更换管道连接件的场景。例如,在土木建筑、水暖工程、汽车制造、造船等行业中,不锈钢螺纹活接头得到了广泛应用。此外,它还适用于一些对密封性要求不是特别高的场合。
连接方式:通过螺纹连接实现管道之间的连接。其结构通常包括固定接头和活母接头两部分,两者配套使用,通过螺纹的旋紧来固定和密封管道。这种连接方式无需焊接,操作简单快捷。
不锈钢承插活接头 使用场景:则更适用于对连接强度和密封性要求较高的场景。例如,在石油、化工、天然气等行业中,由于管道需要承受较高的压力和温度,因此需要使用焊接方式来实现管道之间的牢固连接。不锈钢对焊活接头能够满足这些要求,确保管道系统的稳定运行。
连接方式:则采用承插焊接的方式连接管道。在连接过程中,需要将管道插入活接头的承插口,然后使用焊接设备对活接头的两端进行焊接,以实现管道之间的牢固连接。这种连接方式具有较高的连接强度和密封性,但操作相对复杂,需要专业技能。
检验和包装
不锈钢螺纹活接头的尺寸检测涉及多种方法和步骤,需要根据实际情况选择合适的检测方法和设备,并严格按照操作规程进行检测,以确保测量结果的准确性和可靠性。

应用领域
不锈钢螺纹活接头因其优良的性能和广泛的应用范围而备受青睐。它们被广泛应用于各种工业和民用领域中的管道连接和设备连接中。
土木建筑
水暖工程
汽车制造
造船行业
冶金化工
医药、食品机械
仪器仪表
机械设备连接件
内容为空!