浏览数量: 1002 作者: 本站编辑 发布时间: 2024-09-05 来源: 本站
碳钢对焊法兰具有带颈和圆管过渡的结构,能够与管子进行对焊连接,形成牢固的管道连接点。由于采用碳钢材料,对焊法兰具有较高的强度和刚性,能够承受较大的压力和负荷。同时,它也具有一定的耐腐蚀性,适用于多种工作环境和介质。
碳钢对焊法兰广泛应用于各种管道系统中,特别是在需要承受较高压力和温度的场合。它常用于石油、化工、天然气、水处理、电力等行业的管道工程中,以及水泵、阀门等设备的连接。
碳钢对焊法兰的规格
Shape Type | Regular and Long Neck |
Sealing Face | RF, FF, FTJ |
Size Range | 1/2″ – 60″/ DN15 – DN1200 |
Pressure Rating | Class 150, 300, 600, 900, 1500, 2500lb |
Standard | ASME B16.5, ASME B16.47 Series A/B |
Carbon steel | ASTM A105 / A105N |
ASTM A105 是由美国材料试验协会(ASTM)制定的一项常用标准,专门用于制造碳钢锻件。本标准规定了碳素钢锻件的化学成分、机械性能和其他相关要求,以确保其质量和可靠性。
化学成分
| CHEMICAL | LIMITS | C | Mn | P | S | Si | Cu | Ni | Cr | Mo | V |
| ASTM A105 | MIN | 0.60 | 0.10 | ||||||||
| MAX | 0.35 | 1.05 | 0.035 | 0.040 | 0.35 | 0.40 | 0.40 | 0.30 | 0.12 | 0.08 |
ASTM A105 化学成分能够显著提高耐腐蚀性,使得材料在恶劣环境中依然保稳定。其次,这种成分还增强了材料的韧性,使其在受到冲击或压力时不易断裂。此外,还优化了焊接性能,使得焊接过程更加顺畅且焊缝强度高。
机械性能
MATERIAL | T.S (MPA) | Y.S (MPA) | EL % | R/A % | HARDNESS |
ASTM A105 | 485 min | 250 min | 22 min | 30 min | 197 max |
ASTM A105 材料在机械性能方面主要体现在其高强度和耐用性上。这种材料能够承受极端的物理应力,确保在高压和高温环境下依然保持结构的完整性。此外,ASTM A105 的长期使用稳定性也是其一大优点,确保了设备和结构在长时间运行中的可靠性和安全性。
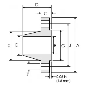
对焊法兰尺寸
对焊法兰的压力等级有150#, 300#, 600#, 900#, 1500#, 2500#
CLASS 150 对焊法兰尺寸

NPS | A | B | C | D | E | F | G | H |
|
|
|
inch | inch | inch | inch | inch | inch | inch | No. of Holes | inch | inch | kg/pc | |
mm | mm | mm | mm | mm | mm | mm | mm | mm | |||
1/2 | 3.5 | 0.62 | 0.44 | 1.88 | 0.84 | 1.19 | 1.38 | 4 | 0.62 | 2.38 | 0.48 |
88.9 | 15.7 | 11.2 | 47.8 | 21.3 | 30.2 | 35.0 | 15.7 | 60.45 | |||
3/4 | 3.88 | 0.82 | 0.5 | 2.06 | 1.05 | 1.5 | 1.69 | 4 | 0.62 | 2.75 | 0.71 |
98.6 | 20.8 | 12.7 | 52.3 | 26.7 | 38.1 | 42.9 | 15.7 | 69.85 | |||
1 | 4.25 | 1.05 | 0.56 | 2.19 | 1.32 | 1.94 | 2.0 | 4 | 0.62 | 3.12 | 1.01 |
108 | 26.7 | 14.2 | 55.6 | 33.5 | 49.3 | 50.8 | 15.7 | 79.25 | |||
1 1/4 | 4.62 | 1.38 | 0.62 | 2.25 | 1.66 | 2.31 | 2.55 | 4 | 0.62 | 3.5 | 1.33 |
117.3 | 35.1 | 15.7 | 57.15 | 42.2 | 58.7 | 63.5 | 15.7 | 88.9 | |||
1 1/2 | 5.0 | 1.61 | 0.69 | 2.44 | 1.9 | 2.56 | 2.88 | 4 | 0.62 | 3.88 | 1.72 |
127 | 40.9 | 17.5 | 62.0 | 48.3 | 65.0 | 73.15 | 15.7 | 98.6 | |||
2 | 6.0 | 2.07 | 0.75 | 2.5 | 2.38 | 3.06 | 3.62 | 4 | 0.75 | 4.75 | 2.58 |
152.4 | 52.6 | 19.1 | 63.5 | 60.45 | 77.7 | 91.9 | 19.1 | 120.7 | |||
2 1/2 | 7.0 | 2.47 | 0.88 | 2.75 | 2.88 | 3.56 | 4.12 | 4 | 0.75 | 5.5 | 4.11 |
177.8 | 62.7 | 22.4 | 69.85 | 73.15 | 90.4 | 104.6 | 19.1 | 139.7 | |||
3 | 7.5 | 3.07 | 0.94 | 2.75 | 3.5 | 4.25 | 5.0 | 4 | 0.75 | 6.0 | 4.92 |
190.5 | 78.0 | 23.9 | 69.85 | 88.9 | 108 | 127 | 19.1 | 152.4 | |||
3 1/2 | 8.5 | 3.55 | 0.94 | 2.81 | 4.0 | 4.81 | 5.5 | 8 | 0.75 | 7.0 | 6.08 |
215.9 | 90.2 | 23.9 | 71.4 | 101.6 | 122.2 | 139.7 | 19.1 | 177.8 | |||
4 | 9.0 | 4.03 | 0.94 | 3.0 | 4.5 | 5.31 | 6.19 | 8 | 0.75 | 7.5 | 6.84 |
228.6 | 102.4 | 23.9 | 76.2 | 114.3 | 134.9 | 157.2 | 19.1 | 190.5 | |||
5 | 10.0 | 5.05 | 0.94 | 3.5 | 5.56 | 6.44 | 7.31 | 8 | 0.88 | 8.5 | 8.56 |
254 | 128.3 | 23.9 | 88.9 | 141.2 | 163.6 | 185.7 | 22.4 | 215.9 | |||
6 | 11.0 | 6.07 | 1.0 | 3.5 | 6.63 | 7.56 | 8.5 | 8 | 0.88 | 9.5 | 10.6 |
279.4 | 154.2 | 25.4 | 88.9 | 168.4 | 192 | 215.9 | 22.4 | 241.3 | |||
8 | 13.5 | 7.98 | 1.12 | 4.0 | 8.63 | 9.69 | 10.62 | 8 | 0.88 | 11.75 | 17.6 |
342.9 | 202.7 | 28.4 | 101.6 | 219.2 | 246.1 | 269.7 | 22.4 | 298.5 | |||
10 | 16.0 | 10.02 | 1.19 | 4.0 | 10.75 | 12.0 | 12.75 | 12 | 1.0 | 14.25 | 24 |
406.4 | 254.5 | 30.2 | 101.6 | 273 | 304.8 | 323.8 | 25.4 | 362 | |||
12 | 19.0 | 12.0 | 1.25 | 4.5 | 12.75 | 14.38 | 15.0 | 12 | 1.0 | 17.0 | 36.5 |
482.6 | 304.8 | 31.75 | 114.3 | 323.8 | 365.3 | 381.0 | 25.4 | 431.8 | |||
14 | 21.0 | 1.38 | 5.0 | 14.0 | 15.75 | 16.25 | 12 | 1.12 | 18.75 | 48.4 | |
533.4 | 35.1 | 127.0 | 355.6 | 400.1 | 412.7 | 28.4 | 476.3 | ||||
16 | 23.5 | 1.44 | 5.0 | 16.0 | 18.0 | 18.5 | 16 | 1.12 | 21.25 | 60.6 | |
596.9 | 36.6 | 127 | 406.4 | 475.2 | 469.9 | 28.4 | 539.8 | ||||
18 | 25.0 | 1.56 | 5.5 | 18.0 | 19.88 | 21.0 | 16 | 1.25 | 22.75 | 68.3 | |
635 | 39.6 | 139.7 | 457.2 | 505 | 533.4 | 31.75 | 577.9 | ||||
20 | 27.5 | 1.69 | 5.69 | 20.0 | 22.0 | 23.0 | 20 | 1.25 | 25.0 | 84.5 | |
698.5 | 42.9 | 144.5 | 508 | 558.8 | 584.2 | 31.75 | 635 | ||||
24 | 32.0 | 1.88 | 6.0 | 24 | 26.12 | 27.25 | 20 | 1.38 | 29.5 | 115 | |
812.8 | 47.8 | 152.4 | 609.6 | 663.4 | 692.1 | 35.1 | 749.3 |
碳钢对焊法兰的优点
1.高强度与耐压性能
碳钢对焊法兰通过锻造或铸造工艺制造,具有较高的强度和耐压性能。这种强度使得它能够承受较大的压力和扭矩,确保管道连接的稳定性和安全性。
2.良好的密封性
对焊法兰的两个法兰盘通过焊接方式连接在一起,形成紧密的结合面。这种连接方式能够有效地防止介质泄漏,确保管道系统的密封性。特别是在高温、高压、高粘度等条件下,依然能够保持良好的密封效果。
3.连接可靠性高
锻制法兰的结构紧凑,连接面积大,能够承受较大的压力和扭矩。这种设计使得它在各种恶劣环境下都能保持稳定的连接状态,减少因连接问题导致的管道故障。
4.适用范围广
适用于各种压力、温度和介质条件下的管道系统。无论是石油化工、造纸、食品还是制药等各个领域的工业管道连接,对焊法兰都能提供可靠的连接解决方案。
如何检验碳钢法兰?
我们对产品的检验是非常严格的,首先检查法兰的内外表面,确保表面光洁无明显缺陷。然后按照标准测量尺寸,之后测量法兰材料的拉伸强度和断裂伸长率,评估其机械强度和延展性。对法兰连接的管道系统进行压力试验,确保法兰在设计压力范围内无泄漏和变形。

碳钢对焊法兰的包装
关于碳钢对焊法兰的包装,一般采用木箱或木托盘进行包装,通常会使用泡沫、气泡膜等围绕法兰缠绕一圈,以减少法兰与其他硬性物体的直接接触,可以防止法兰运输时出现磕碰情况,由于碳钢材料的原因,需要在装箱或者木托包装前对法兰进行防锈处理,比如刷一层油,从而保证法兰不会生锈,进而保证法兰运输到货的使用性能不变。

内容为空!