钢制对焊管件-90度弯头
90°弯头是管道安装中最常用的弯头,它在管路系统中是改变管道方向的管件。90°弯头根据弯曲半径可分长半径(LR)弯头和短半径(SR)弯头,流体管道工程施工中其他常用的弯头还有45°弯头和180°弯头两种,我公司也可根据工程需要定制等其他非标弯头。
钢制对焊管件-45度长半径弯头
45°弯头是管道安装中最常用的弯头,它在管路系统中是改变管道方向的管件。所有弯头的曲率半径R≤3D,应用最多的为R=1.5D的长半径弯头和R=1D的短半径弯头。常用角度为90°、45°和180度。有时也有少量使用异径弯头(即在改变管道方向的同时实现与异径管道的连接)。我公司也可根据工程需要定制等其他非标弯头。弯头按照材质可分为不锈钢,碳钢,合金钢三类。
钢制对焊管件-弯管
弯管:类似于弯头改变管道方向的管件。区别于弯头的指标为其曲率半径R≥3D,且两端各带一定长度的直管段。其弯曲角度一般在大于0°小于90°之间以3°为阶梯分布(相对于管道的拐弯角度在90°~180°之间)
钢制对焊管件-三通
三通是管道接头的一种,形状为T型,是一种最常见的对焊管件,也是管道系统的重要配件。根据出口直径的不同,管件有TS等径三通和TR异径三通两种。等径三通又称直三通,三个出水口外径相同,而异径三通的主管接管尺寸相同,而支管的接管尺寸小于主管的接管尺寸。对焊三通一般采用管道冷成型技术或钢板焊接。
钢制对焊管件-四通
对焊四通是钢制热压成型或者锻打成型的管件,它的连接形式就是直接将四通与钢管对焊,对焊四通的主要制造标准一般是GB/T12459、GB/T13401、ASME B16.9、SH3408、SH3409、HG/T21635、HG/T21631、SY/T0510。四通是一种最常见的对焊管件,也是管道系统的重要配件。
翻边短节
翻边短节是钢制对焊管件里面的一种,一般是松套法兰里面的配件。而松套法兰常用于介质温度和压力都不高而介质腐蚀性较强的情况。当介质腐蚀性较强时,法兰接触介质的部分(翻边短节)为耐腐蚀的高等级材料,而不接触的法兰部份利用低等级材料,法兰环夹紧它以实现密封。翻边是一般按冲压工艺成型,按直管端的长短分为长型翻边和短型翻边。
钢制对焊管件-同心大小头(异径管)
同心异径管又称同心大小头,是钢制对焊管件的一种类型。形状像锥形接头,用于扩大或减小中心线的直径。它易于输送泥浆和研磨液,适用于腐蚀性操作,也有利于在法兰或管道之间输送时需要不同额定值和磨损保护的地方使用。
钢制对焊管件-偏心异径管(大小头)
偏心异径管又称偏心大小头,是钢制对焊管件的一种类型,形状像锥形接头,用于扩大或减小中心线的直径。它易于输送泥浆和研磨液,适用于腐蚀性操作,也有利于在法兰或管道之间输送时需要不同额定值和磨损保护的地方使用。
钢制对焊管件-管帽(封头)
对焊管帽:用于封闭管道终端的管件,又称封头、堵头、盖头、管子盖、闷头,焊接在管端上以盖堵管子的管件,用来封闭管路,作用与管堵相同,其多采用标准椭圆形管帽,其椭圆的内径长短轴之比为2:1,且有一定高度的直边。
锻制高压管件-承插弯头
承插弯头,主要是由圆钢或钢锭模压锻造毛坯成型,然后经车床机加工成型的一种高压弯头管道连接配件。是锻制承插系列管件的一种。按弯曲度分类可分为90°弯头和45°弯头,按形状可分为等径弯头和异径弯头。
锻制高压管件-承插三通
承插三通,主要是由圆钢或钢锭模压锻造毛坯成型,然后经车床机加工成型的一种高压三通管道连接配件,按照形状可分为等径三通和异径三通。
锻制高压管件-承插四通
承插四通,主要是由圆钢或钢锭模压锻造毛坯成型,然后经车床机加工成型的一种高压四通管道连接配件,承插四通由插口、承口、弯曲部分、承插槽等组成,其特征在于在插口上有承插槽,插口、承口分别位于弯曲部分的两端,根据形状可以分为等径四通和异径四通,在管路系统中,承插四通是改变管路方向的管件。
锻制高压管件-承插管箍
承插管箍由圆钢或钢锭模锻成型后机加工的管道连接件,它的连接形式是承插焊接(Socket Welding-SW),将钢管插入承插孔内进行焊接,因此,被称为“承插管箍”。承插管箍的品种包括双承口管箍、单承口管箍,其中双承口管箍有等径和异径之分,异径的双承口管箍还有同心和偏心之分。
锻制高压管件-承插活接头(由任)
承插活接头是由圆钢或钢锭模锻成型后机加工的管道连接件,它的连接形式为承插焊接,承插焊接是将钢管插入承插孔内进行焊接,又名承插由任,根据接口方式可以分为等径承插活接头和异径承插活接头,它只可以与相同尺寸的ANSI管配合使用。
螺纹弯头:用于改变管道方向的管件。所有弯头的曲率半径R≤3D,应用最多的为R=1.5D的长半径弯头和R=1D的短半径弯头。常用角度为90°、45°、30°和180°。有时也有少量使用异径弯头(即在改变管道方向的同时实现与异径管道的连接),螺纹弯头按照GB/T 14383和ASME 16.11生产标准生产。
锻制高压管件-螺纹三通
三通是管道接头的一种,形状为T型,是一种最常见的螺纹管件,也是管道系统的重要配件。根据出口直径的不同,管件有TS等径三通和TR异径三通两种。等径三通又称直三通,三个出水口外径相同,而异径三通的主管接管尺寸相同,而支管的接管尺寸小于主管的接管尺寸。我公司著诚提供不锈钢、双相钢和合金等材质的螺纹三通。
锻制高压管件-螺纹四通
螺纹四通主要用于改变流体方向,用在主管道分支管处,即可以实现将管道同时分为四路。根据出口直径不同螺纹四通可以分为螺纹等径四通和螺纹异径四通两种。尺寸1/8"到4",螺纹四通按照GB/T 14383和ASME 16.11生产标准生产。
锻制高压管件-螺纹管箍
螺纹管箍是工业管道连接中常用的一种配件,主要用途是用来连接两根管子的一段短管,它由圆钢或钢锭模压锻造毛坯成型,然后上车床加工螺纹后而成型的一种高压弯头管道配件。
锻制高压管件-螺纹活接头(由任)
螺纹活接头,是指带螺纹的管道连接件,是工业和生活中最常见的一种管件。螺纹活接头使管道的连接变得更简单,拆卸更换也更容易,大大节省了管道连接的成本。
螺纹短节
形状类型:单头螺纹短节和双头螺纹短节
尺寸范围:1/4” - 12” / DN8 - DN300
厚度范围:Sch 10 - Sch 160 / XXS
生产标准:ASTM A733
端口形式:平口(PE), 坡口(BE),螺纹(THD)
螺纹形式:NPT, PT, BSPP, BSPT, PF
异径短节又称渐缩管
异径短节又名渐缩管,异径短节有同心偏心之分,同心异径短节英文 Concentric Swaged Nipple. 偏心异径短节英文Eccentric Swaged Nipple, 一般是在管工程中,一种用于不同口径管道连接的配件。连接形式有对焊螺纹连接形式之区别。主要适用于石油化工、医药卫生、电力、航天、军工、消防、冶金、造船、燃气、核电、及环境保护等要求承受压力高、尺寸精密等部门及领域,标准美标 MSS SP-95 石化标准 SH/T3419。
六角外丝又称六角双丝
形状类型:等径六角外丝和异径六角外丝
尺寸范围:1/8” - 3” / DN6 - DN80
生产标准:GB/T 14383, ASME B16.11, BS3799
螺纹形式:NPT, PT, BSPP, BSPT, PF
螺纹管塞
螺纹管塞又名丝堵,英文: pipe plug ,管塞用于管道的末端,用来封闭管路,防止管道的泄露,起到密封的作用,有六角、四角、圆头、方头之分,螺纹为 NPT 形式居多。
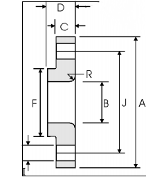
法兰接头是工程设计中使用极为普遍、涉及面非常广泛的一种零部件。它是配管设计、管件阀门必不可少的零件,而且也是设备、设备零部件(如人孔、视镜液面计等)中必备的构件。此外,其它专业如工业炉、热工、给排水、采暖通风、自控等,也经常使用法兰接头。按照行业标准可以分为对焊法兰、平焊法兰、承插法兰、螺纹法兰、盲板、松套法兰六类。
松套法兰又分为对焊环松套法兰和平焊环松套法兰两种。
对焊环松套法兰是可以活动的法兰片,一般是配套在给排水配件上,厂家出厂时伸缩节两端就各有一片法兰,直接与工程中的管道、设备用螺栓连接。作用:使用对焊环松套法兰的目的一般是为了节省材料,其结构分成两部分,管子部分一头和管道接,一头做成对焊环。法兰盘采用低等级的材料,而管子部分使用和管道一样的材料,达到节省材料的目的。但其缺点是焊环处强度低(特别是厚度3mm以下时)。
平焊环松套法兰盘是可以活动的法兰片。直接与工程中的管道、设备用螺栓连接。使用平焊环松套法兰盘的目的一般是为了节省资料,其结构分成两部分,管子局部一头和管道接,一头做成翻边,法兰盘部分套在翻边上。法兰盘采用低等级的资料,而管子局部使用和管道一样的资料,达到节省资料的目的。
本页面是class 150lbs松套法兰的产品详细参数,松套法兰按照压力等级可分为class 150lb,class 300lb,class 400lb,class 600lb,class 900lb,class 1500lb,class2500lb,如需查看其他产品参数请点击下面链接:
150磅松套法兰规格 / Class 150 lb Lap Joint Flange Specification
| 尺寸范围 | 1/2" - 24” / DN15 - DN600 |
| 压力等级 | Class 150, 300, 600, 900, 1500, 2500lb |
| 标准 | ASME B16.5 |
| 碳钢 | ASTM A105, 20# |
| 低温钢 | ASTM A350 LF2, 16Mn |
| 管线钢 | ASTM A694 F42 / 46 / 56 / 60 / 65 |
| 合金钢 | ASTM A182 F11 / 12 / 5 / 9 / 91 / 92 |
| 不锈钢 | ASTM A182 F304/304L/304H, 316/316L, 310S, 317,347,904L |
| 双相不锈钢 | ASTM A182 F51, F53, F44 |
150磅松套法兰参数 / Class 150 lb LAPJ Flange Dimensions

NPS | A | B | C | D | R | F | H | I | J | W |
| inch | inch | inch | inch | inch | inch | No. of Holes | inch | inch | kg/pc | |
| mm | mm | mm | mm | mm | mm | mm | mm | |||
| 1/2 | 3.500 | 0.900 | 0.440 | 0.620 | 0.120 | 1.190 | 4 | 0.620 | 2.380 | 0.38 |
| 88.90 | 22.90 | 11.20 | 15.70 | 3.000 | 30.20 | 15.70 | 60.45 | |||
| 3/4 | 3.880 | 1.110 | 0.500 | 0.620 | 0.120 | 1.500 | 4 | 0.620 | 2.750 | 0.55 |
| 98.60 | 28.20 | 12.70 | 15.70 | 3.000 | 38.10 | 15.70 | 69.85 | |||
| 1 | 4.250 | 1.380 | 0.560 | 0.690 | 0.120 | 1.940 | 4 | 0.620 | 3.120 | 0.76 |
| 108.0 | 35.10 | 14.20 | 17.50 | 3.000 | 49.30 | 15.70 | 79.25 | |||
| 1¼ | 4.620 | 1.720 | 0.620 | 0.810 | 0.190 | 2.310 | 4 | 0.620 | 3.500 | 1.01 |
| 117.3 | 43.70 | 15.70 | 20.60 | 4.800 | 58.70 | 15.70 | 88.90 | |||
| 1½ | 5.000 | 1.970 | 0.690 | 0.880 | 0.250 | 2.560 | 4 | 0.620 | 3.880 | 1.30 |
| 127.0 | 50.00 | 17.50 | 22.40 | 6.400 | 65.00 | 15.70 | 98.60 | |||
| 2 | 6.000 | 2.460 | 0.750 | 1.000 | 0.310 | 3.060 | 4 | 0.750 | 4.750 | 2.03 |
| 152.4 | 62.5 | 19.10 | 25.40 | 7.900 | 77.70 | 19.10 | 120.7 | |||
| 2½ | 7.000 | 2.970 | 0.880 | 1.120 | 0.310 | 3.560 | 4 | 0.750 | 5.500 | 3.25 |
| 177.8 | 75.40 | 22.40 | 28.40 | 7.900 | 90.40 | 19.10 | 139.7 | |||
| 3 | 7.500 | 3.600 | 0.940 | 1.190 | 0.380 | 4.250 | 4 | 0.750 | 6.000 | 3.81 |
| 190.5 | 91.40 | 23.90 | 30.20 | 9.700 | 108.0 | 19.10 | 152.4 | |||
| 3½ | 8.500 | 4.100 | 0.940 | 1.250 | 0.380 | 4.810 | 8 | 0.750 | 7.000 | 4.76 |
| 215.9 | 104.1 | 23.90 | 31.75 | 9.700 | 122.2 | 19.10 | 177.8 | |||
| 4 | 9.000 | 4.600 | 0.940 | 1.310 | 0.440 | 5.310 | 8 | 0.750 | 7.500 | 5.25 |
| 228.6 | 116.8 | 23.90 | 33.30 | 11.20 | 134.9 | 19.10 | 190.5 | |||
| 5 | 10.00 | 5.690 | 0.940 | 1.440 | 0.440 | 6.440 | 8 | 0.880 | 8.500 | 6.02 |
| 254.0 | 114.5 | 23.90 | 36.60 | 11.20 | 163.6 | 22.40 | 215.9 | |||
| 6 | 11.00 | 6.750 | 1.000 | 1.560 | 0.500 | 7.560 | 8 | 0.880 | 9500 | 7.40 |
| 279.4 | 171.5 | 25.40 | 39.60 | 12.70 | 192.0 | 22.40 | 241.3 | |||
| 8 | 13.50 | 8.750 | 1.120 | 1.750 | 0.500 | 9.690 | 8 | 0.880 | 11.75 | 12.1 |
| 342.9 | 222.3 | 28.40 | 44.50 | 12.70 | 246.1 | 22.40 | 298.5 | |||
| 10 | 16.00 | 10.92 | 1.190 | 1.940 | 0.500 | 12.00 | 12 | 1.000 | 14.25 | 16.4 |
| 406.4 | 277.4 | 30.20 | 49.30 | 12.70 | 304.8 | 25.40 | 362.0 | |||
| 12 | 19.00 | 12.92 | 1.250 | 2.190 | 0.500 | 14.38 | 12 | 1.000 | 17.00 | 26.1 |
| 482.6 | 328.2 | 31.75 | 55.60 | 12.70 | 365.3 | 25.4 | 431.8 | |||
| 14 | 21.00 | 14.18 | 1.380 | 3.120 | 0.500 | 15.75 | 12 | 1.120 | 18.75 | 34.5 |
| 533.4 | 360.2 | 35.10 | 79.25 | 12.7 | 400.1 | 28.4 | 476.3 | |||
| 16 | 23.5 | 16.19 | 1.440 | 3.440 | 0.500 | 18.00 | 16 | 1.120 | 21.25 | 44.6 |
| 296.9 | 411.2 | 36.60 | 87.40 | 12.70 | 457.2 | 284 | 539.8 | |||
| 18 | 25.00 | 18.20 | 1.560 | 3.810 | 0.500 | 19.88 | 16 | 1.250 | 22.75 | 48.7 |
| 635.0 | 462.3 | 39.60 | 96.80 | 12.70 | 505.0 | 31.75 | 577.9 | |||
| 20 | 27.5 | 20.25 | 1.690 | 4.060 | 0.500 | 22.00 | 20 | 1.125 | 25.00 | 61.6 |
| 698.5 | 514.4 | 42.90 | 103.1 | 12.70 | 558.8 | 31.75 | 635 | |||
| 24 | 32.00 | 24.25 | 1.880 | 4.380 | 0.500 | 26.12 | 20 | 1.380 | 29.50 | 86.6 |
| 812.8 | 616.0 | 47.80 | 111.3 | 12.70 | 663.4 | 35.10 | 749.3 |
法兰接头是工程设计中使用极为普遍、涉及面非常广泛的一种零部件。它是配管设计、管件阀门必不可少的零件,而且也是设备、设备零部件(如人孔、视镜液面计等)中必备的构件。此外,其它专业如工业炉、热工、给排水、采暖通风、自控等,也经常使用法兰接头。按照行业标准可以分为对焊法兰、平焊法兰、承插法兰、螺纹法兰、盲板、松套法兰六类。
松套法兰又分为对焊环松套法兰和平焊环松套法兰两种。
对焊环松套法兰是可以活动的法兰片,一般是配套在给排水配件上,厂家出厂时伸缩节两端就各有一片法兰,直接与工程中的管道、设备用螺栓连接。作用:使用对焊环松套法兰的目的一般是为了节省材料,其结构分成两部分,管子部分一头和管道接,一头做成对焊环。法兰盘采用低等级的材料,而管子部分使用和管道一样的材料,达到节省材料的目的。但其缺点是焊环处强度低(特别是厚度3mm以下时)。
平焊环松套法兰盘是可以活动的法兰片。直接与工程中的管道、设备用螺栓连接。使用平焊环松套法兰盘的目的一般是为了节省资料,其结构分成两部分,管子局部一头和管道接,一头做成翻边,法兰盘部分套在翻边上。法兰盘采用低等级的资料,而管子局部使用和管道一样的资料,达到节省资料的目的。
本页面是class 150lbs松套法兰的产品详细参数,松套法兰按照压力等级可分为class 150lb,class 300lb,class 400lb,class 600lb,class 900lb,class 1500lb,class2500lb,如需查看其他产品参数请点击下面链接:
150磅松套法兰规格 / Class 150 lb Lap Joint Flange Specification
| 尺寸范围 | 1/2" - 24” / DN15 - DN600 |
| 压力等级 | Class 150, 300, 600, 900, 1500, 2500lb |
| 标准 | ASME B16.5 |
| 碳钢 | ASTM A105, 20# |
| 低温钢 | ASTM A350 LF2, 16Mn |
| 管线钢 | ASTM A694 F42 / 46 / 56 / 60 / 65 |
| 合金钢 | ASTM A182 F11 / 12 / 5 / 9 / 91 / 92 |
| 不锈钢 | ASTM A182 F304/304L/304H, 316/316L, 310S, 317,347,904L |
| 双相不锈钢 | ASTM A182 F51, F53, F44 |
150磅松套法兰参数 / Class 150 lb LAPJ Flange Dimensions

NPS | A | B | C | D | R | F | H | I | J | W |
| inch | inch | inch | inch | inch | inch | No. of Holes | inch | inch | kg/pc | |
| mm | mm | mm | mm | mm | mm | mm | mm | |||
| 1/2 | 3.500 | 0.900 | 0.440 | 0.620 | 0.120 | 1.190 | 4 | 0.620 | 2.380 | 0.38 |
| 88.90 | 22.90 | 11.20 | 15.70 | 3.000 | 30.20 | 15.70 | 60.45 | |||
| 3/4 | 3.880 | 1.110 | 0.500 | 0.620 | 0.120 | 1.500 | 4 | 0.620 | 2.750 | 0.55 |
| 98.60 | 28.20 | 12.70 | 15.70 | 3.000 | 38.10 | 15.70 | 69.85 | |||
| 1 | 4.250 | 1.380 | 0.560 | 0.690 | 0.120 | 1.940 | 4 | 0.620 | 3.120 | 0.76 |
| 108.0 | 35.10 | 14.20 | 17.50 | 3.000 | 49.30 | 15.70 | 79.25 | |||
| 1¼ | 4.620 | 1.720 | 0.620 | 0.810 | 0.190 | 2.310 | 4 | 0.620 | 3.500 | 1.01 |
| 117.3 | 43.70 | 15.70 | 20.60 | 4.800 | 58.70 | 15.70 | 88.90 | |||
| 1½ | 5.000 | 1.970 | 0.690 | 0.880 | 0.250 | 2.560 | 4 | 0.620 | 3.880 | 1.30 |
| 127.0 | 50.00 | 17.50 | 22.40 | 6.400 | 65.00 | 15.70 | 98.60 | |||
| 2 | 6.000 | 2.460 | 0.750 | 1.000 | 0.310 | 3.060 | 4 | 0.750 | 4.750 | 2.03 |
| 152.4 | 62.5 | 19.10 | 25.40 | 7.900 | 77.70 | 19.10 | 120.7 | |||
| 2½ | 7.000 | 2.970 | 0.880 | 1.120 | 0.310 | 3.560 | 4 | 0.750 | 5.500 | 3.25 |
| 177.8 | 75.40 | 22.40 | 28.40 | 7.900 | 90.40 | 19.10 | 139.7 | |||
| 3 | 7.500 | 3.600 | 0.940 | 1.190 | 0.380 | 4.250 | 4 | 0.750 | 6.000 | 3.81 |
| 190.5 | 91.40 | 23.90 | 30.20 | 9.700 | 108.0 | 19.10 | 152.4 | |||
| 3½ | 8.500 | 4.100 | 0.940 | 1.250 | 0.380 | 4.810 | 8 | 0.750 | 7.000 | 4.76 |
| 215.9 | 104.1 | 23.90 | 31.75 | 9.700 | 122.2 | 19.10 | 177.8 | |||
| 4 | 9.000 | 4.600 | 0.940 | 1.310 | 0.440 | 5.310 | 8 | 0.750 | 7.500 | 5.25 |
| 228.6 | 116.8 | 23.90 | 33.30 | 11.20 | 134.9 | 19.10 | 190.5 | |||
| 5 | 10.00 | 5.690 | 0.940 | 1.440 | 0.440 | 6.440 | 8 | 0.880 | 8.500 | 6.02 |
| 254.0 | 114.5 | 23.90 | 36.60 | 11.20 | 163.6 | 22.40 | 215.9 | |||
| 6 | 11.00 | 6.750 | 1.000 | 1.560 | 0.500 | 7.560 | 8 | 0.880 | 9500 | 7.40 |
| 279.4 | 171.5 | 25.40 | 39.60 | 12.70 | 192.0 | 22.40 | 241.3 | |||
| 8 | 13.50 | 8.750 | 1.120 | 1.750 | 0.500 | 9.690 | 8 | 0.880 | 11.75 | 12.1 |
| 342.9 | 222.3 | 28.40 | 44.50 | 12.70 | 246.1 | 22.40 | 298.5 | |||
| 10 | 16.00 | 10.92 | 1.190 | 1.940 | 0.500 | 12.00 | 12 | 1.000 | 14.25 | 16.4 |
| 406.4 | 277.4 | 30.20 | 49.30 | 12.70 | 304.8 | 25.40 | 362.0 | |||
| 12 | 19.00 | 12.92 | 1.250 | 2.190 | 0.500 | 14.38 | 12 | 1.000 | 17.00 | 26.1 |
| 482.6 | 328.2 | 31.75 | 55.60 | 12.70 | 365.3 | 25.4 | 431.8 | |||
| 14 | 21.00 | 14.18 | 1.380 | 3.120 | 0.500 | 15.75 | 12 | 1.120 | 18.75 | 34.5 |
| 533.4 | 360.2 | 35.10 | 79.25 | 12.7 | 400.1 | 28.4 | 476.3 | |||
| 16 | 23.5 | 16.19 | 1.440 | 3.440 | 0.500 | 18.00 | 16 | 1.120 | 21.25 | 44.6 |
| 296.9 | 411.2 | 36.60 | 87.40 | 12.70 | 457.2 | 284 | 539.8 | |||
| 18 | 25.00 | 18.20 | 1.560 | 3.810 | 0.500 | 19.88 | 16 | 1.250 | 22.75 | 48.7 |
| 635.0 | 462.3 | 39.60 | 96.80 | 12.70 | 505.0 | 31.75 | 577.9 | |||
| 20 | 27.5 | 20.25 | 1.690 | 4.060 | 0.500 | 22.00 | 20 | 1.125 | 25.00 | 61.6 |
| 698.5 | 514.4 | 42.90 | 103.1 | 12.70 | 558.8 | 31.75 | 635 | |||
| 24 | 32.00 | 24.25 | 1.880 | 4.380 | 0.500 | 26.12 | 20 | 1.380 | 29.50 | 86.6 |
| 812.8 | 616.0 | 47.80 | 111.3 | 12.70 | 663.4 | 35.10 | 749.3 |
内容为空!