浏览数量: 4136 作者: 本站编辑 发布时间: 2025-07-10 来源: 本站
在现代工业管道系统中,ASME B16.5 对焊法兰作为关键的连接部件,其性能直接关系到整个系统的安全性和可靠性。作为全球公认的法兰设计和制造规范,ASME B16.5 标准为对焊法兰的尺寸、材料和制造工艺提供了权威指导。
对焊法兰(Weld Neck Flange)是管道系统中最为常见的法兰类型之一,其特点是具有一个锥形颈部,可通过对接焊与管道直接连接。这种法兰设计符合ASME B16.5、EN 1092-1 等国际标准,是高压高温工况下的优选连接方式。
上海著诚管件制造有限公司专业生产不同材质和不同种类的法兰,产品广泛应用于石油、化工、电力、造船、制药、食品、建筑等众多行业。
ASME B16.5 是美国机械工程师协会(American Society of Mechanical Engineers)制定的关于钢制管法兰和法兰管件的设计、制造与检验的重要国际标准。该标准广泛应用于石油化工、电力、造船、制药等行业,确保法兰产品在高压管道系统中的安全性、互换性和可靠性。标准内规定的法兰尺寸范围适用于1/2“至24,压力等级包括150#、300#、400#、600#、900#、1500#和2500#。密封面包括凸面(RF)、平面(FF)、环形接头(RTJ)、榫槽(TG)和凹凸面(MFM)。
Class 150 对焊法兰:

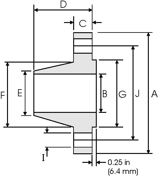
Nominal Pipe Size | A | B | C | D | E | F | G | H | I | J | Weight | |
inch | mm | mm | mm | mm | mm | mm | mm | mm | Holes | mm | mm | kg / piece |
1/2 | 21.30 | 88.90 | 15.70 | 11.20 | 47.80 | 21.30 | 30.20 | 35.00 | 4 | 15.70 | 60.45 | 0.48 |
3/4 | 26.70 | 98.60 | 20.80 | 12.70 | 52.30 | 26.70 | 38.10 | 42.90 | 4 | 15.70 | 69.85 | 0.71 |
1 | 33.40 | 108.0 | 26.70 | 14.20 | 55.60 | 33.50 | 49.30 | 50.80 | 4 | 15.70 | 79.25 | 1.01 |
11/4 | 42.20 | 117.3 | 35.10 | 15.70 | 57.15 | 42.20 | 58.70 | 63.50 | 4 | 15.70 | 88.90 | 1.33 |
11/2 | 48.30 | 127.0 | 40.90 | 17.50 | 62.00 | 48.30 | 65.00 | 73.15 | 4 | 15.70 | 98.60 | 1.72 |
2 | 60.30 | 152.4 | 52.60 | 19.10 | 63.50 | 60.45 | 77.70 | 91.90 | 4 | 19.10 | 120.7 | 2.58 |
21/2 | 73.00 | 177.8 | 62.70 | 22.40 | 69.85 | 73. 15 | 90.4 | 104.6 | 4 | 19.10 | 139.7 | 4.11 |
3 | 88.90 | 190.5 | 78.00 | 23.90 | 69.85 | 88.90 | 108.0 | 127.0 | 4 | 19.10 | 152.4 | 4.92 |
31/2 | 101.6 | 215.9 | 90.20 | 23.90 | 71.40 | 101.6 | 122.2 | 139.7 | 8 | 19.10 | 177.8 | 6.08 |
4 | 114.3 | 228.6 | 102.40 | 23.90 | 76.20 | 114.3 | 134.9 | 157.2 | 8 | 19.10 | 190.5 | 6.84 |
5 | 141.3 | 254.0 | 128.3 | 23.90 | 88.90 | 141.2 | 163.6 | 185.7 | 8 | 22.40 | 215.9 | 8.56 |
6 | 168.3 | 279.4 | 154.2 | 25.40 | 88.90 | 168.4 | 192.0 | 215.9 | 8 | 22.40 | 241.3 | 10.6 |
8 | 219.1 | 342.9 | 202.7 | 28.40 | 101.6 | 219.2 | 246.1 | 269.7 | 8 | 22.40 | 298.5 | 17.6 |
10 | 273.0 | 406.4 | 254.5 | 30.20 | 101.6 | 273.0 | 304.8 | 323.8 | 12 | 25.40 | 362.0 | 24.0 |
12 | 323.8 | 482.6 | 304.8 | 31.75 | 114.3 | 323.8 | 365.3 | 381.0 | 12 | 25.40 | 431.8 | 36.5 |
14 | 355.6 | 533.4 | To be specified by | 35.10 | 127.0 | 355.6 | 400.1 | 412.7 | 12 | 28.40 | 476.3 | 48.4 |
16 | 406.4 | 596.9 | 36.60 | 127.0 | 406.4 | 475.2 | 469.9 | 16 | 28.40 | 539.8 | 60.6 | |
18 | 457.2 | 635.0 | 39.60 | 139.7 | 457.2 | 505.0 | 533.4 | 16 | 31.75 | 577.9 | 68.3 | |
20 | 508.0 | 698.5 | 42.90 | 144.5 | 508.0 | 558.8 | 584.2 | 20 | 31.75 | 635.0 | 84.5 | |
24 | 609.6 | 812.8 | 47.80 | 152.4 | 609.6 | 663.4 | 692.1 | 20 | 35.10 | 749.3 | 115 | |
Class 300 对焊法兰:

Nominal Pipe Size | A | B | C | D | E | F | G | H | I | J | Weight | |
inch | mm | mm | mm | mm | mm | mm | mm | mm | Holes | mm | mm | kg / piece |
1/2 | 21.30 | 95.20 | 15.70 | 14.20 | 52.30 | 21.30 | 38.10 | 35.00 | 4 | 15.70 | 66.55 | 0.75 |
3/4 | 26.70 | 117.3 | 20.80 | 15.70 | 57.15 | 26.70 | 47.70 | 42.90 | 4 | 19.00 | 82.50 | 1.26 |
1 | 33.40 | 123.9 | 26.70 | 17.50 | 62.00 | 33.50 | 53.80 | 50.80 | 4 | 19.00 | 88.90 | 1.52 |
1 1/4 | 42.20 | 133.3 | 35.10 | 19.00 | 65.00 | 42.20 | 63.50 | 63.50 | 4 | 19.00 | 98.50 | 2.03 |
1 1/2 | 48.30 | 155.4 | 40.90 | 20.60 | 68.30 | 48.30 | 69.85 | 73. 15 | 4 | 22.30 | 114.3 | 2.89 |
2 | 60.30 | 165. 1 | 52.60 | 22.30 | 69.85 | 60.45 | 84.00 | 91.90 | 8 | 19.00 | 127.0 | 3.4 |
2 1/2 | 73.00 | 190.5 | 62.70 | 25.40 | 76.20 | 73.15 | 100.0 | 104.6 | 8 | 22.30 | 149.3 | 5.17 |
3 | 88.90 | 209.5 | 78.00 | 28.40 | 79.25 | 88.90 | 117.3 | 127.0 | 8 | 22.30 | 168.1 | 6.93 |
3 1/2 | 101.6 | 228.6 | 90.20 | 30.20 | 81.00 | 101.6 | 133.3 | 139.7 | 8 | 22.30 | 184.1 | 8.67 |
4 | 114.3 | 254.0 | 102.4 | 31.70 | 85.80 | 114.3 | 146.0 | 157.2 | 8 | 22.30 | 200.1 | 11.2 |
5 | 141.3 | 279.4 | 128.3 | 35.00 | 98.50 | 141.2 | 177.8 | 185.7 | 8 | 22.30 | 234.9 | 15.1 |
6 | 168.3 | 317.5 | 154.2 | 36.50 | 98.50 | 168.4 | 206.2 | 215.9 | 12 | 22.30 | 269.7 | 19.1 |
8 | 219.1 | 381.0 | 202.7 | 41.10 | 111.2 | 219.2 | 260.3 | 269.7 | 12 | 25.40 | 330.2 | 29.9 |
10 | 273.0 | 444.5 | 254.5 | 47.70 | 117.3 | 273.0 | 320.5 | 323.8 | 16 | 28.40 | 387.3 | 42.7 |
12 | 323.8 | 520.7 | 304.8 | 50.80 | 130.0 | 323.8 | 374.6 | 381.0 | 16 | 31.70 | 450.8 | 61.8 |
14 | 355.6 | 584.2 | To be specified by | 53.80 | 142.7 | 355.6 | 425.4 | 412.7 | 20 | 31.70 | 514.3 | 85.8 |
16 | 406.4 | 647.7 | 57.15 | 146.0 | 406.4 | 482.6 | 469.9 | 20 | 35.00 | 571.5 | 106 | |
18 | 457.2 | 711.2 | 60.45 | 158.7 | 457.2 | 533.4 | 533.4 | 24 | 35.00 | 628.6 | 131 | |
20 | 508.0 | 774.7 | 63.50 | 162.0 | 508.0 | 587.2 | 584.2 | 24 | 35.00 | 685.8 | 158 | |
24 | 609.6 | 914.4 | 69.85 | 168.1 | 609.6 | 701.5 | 692.1 | 24 | 41.10 | 812.8 | 230 | |
Class 400 对焊法兰:

Nominal Pipe Size | A | B | C | D | E | F | G | H | I | J | Weight | |
inch | mm | mm | mm | mm | mm | mm | mm | mm | Holes | mm | mm | kg / piece |
1/2 | 21.30 | 95.30 | To be specified by | 14.20 | 52.30 | 21.30 | 38.10 | 35.00 | 4 | 15.70 | 66.55 | 0.87 |
3/4 | 26.70 | 117.3 | 15.70 | 57.15 | 26.70 | 47.80 | 42.90 | 4 | 19.10 | 82.60 | 1.45 | |
1 | 33.40 | 124.0 | 17.50 | 62.00 | 33.50 | 53.80 | 50.80 | 4 | 19.10 | 88.90 | 1.76 | |
11/4 | 42.20 | 133.4 | 20.60 | 66.55 | 42.20 | 63.50 | 63.50 | 4 | 19.10 | 98.60 | 2.49 | |
11/2 | 48.30 | 155.4 | 22.40 | 69.85 | 48.30 | 69.85 | 73.15 | 4 | 22.40 | 114.3 | 3.49 | |
2 | 60.30 | 165.1 | 25.40 | 73.15 | 60.45 | 84.10 | 91.90 | 8 | 19.10 | 127.0 | 4.36 | |
21/2 | 73.00 | 190.5 | 28.40 | 79.25 | 73.15 | 100.1 | 104.6 | 8 | 22.40 | 149.4 | 6.43 | |
3 | 88.90 | 209.6 | 31.75 | 82.60 | 88.90 | 117.3 | 127.0 | 8 | 22.40 | 168. 1 | 8.53 | |
31/2 | 101.6 | 228.6 | 35.10 | 85.90 | 101.6 | 133.4 | 139.7 | 8 | 25.40 | 84.2 | 10.7 | |
4 | 114.3 | 254.0 | 35.10 | 88.90 | 114.3 | 146.1 | 157.2 | 8 | 25.40 | 200.2 | 12.8 | |
5 | 141.3 | 279.4 | 38.10 | 101.6 | 141.2 | 177.8 | 185.7 | 8 | 25.40 | 235.0 | 16.9 | |
6 | 168.3 | 317.5 | 41.10 | 103.1 | 168.4 | 206.2 | 215.9 | 12 | 25.40 | 269.7 | 22.0 | |
8 | 219. 1 | 381.0 | 47.80 | 117.3 | 219.2 | 260.4 | 269.7 | 12 | 28.40 | 330.2 | 34.7 | |
10 | 273.0 | 444.5 | 53.80 | 124.0 | 273.0 | 320.5 | 323.8 | 16 | 31.75 | 387.4 | 48.5 | |
12 | 323.8 | 520.7 | 57.15 | 5.380 | 323.8 | 374.7 | 381.0 | 16 | 35.10 | 450.9 | 69.6 | |
14 | 355.6 | 584.2 | 60.45 | 149.4 | 355.6 | 425.5 | 412.7 | 20 | 35.10 | 514.4 | 95.5 | |
16 | 406.4 | 647.7 | 63.50 | 152.4 | 406.4 | 482.6 | 469.9 | 20 | 38.10 | 571.5 | 118 | |
18 | 457.2 | 711.2 | 66.55 | 165.1 | 457.2 | 533.4 | 533.4 | 24 | 38.10 | 628.7 | 145 | |
20 | 508.0 | 774.7 | 69.85 | 168.1 | 508.0 | 587.2 | 584.2 | 24 | 41.10 | 685.8 | 173 | |
24 | 609.6 | 914.4 | 76.20 | 174.8 | 609.6 | 701.5 | 692.1 | 24 | 47.80 | 812.8 | 249 | |
Class 600 对焊法兰:

Nominal Pipe Size | A | B | C | D | E | F | G | H | I | J | Weight | |
inch | mm | mm | mm | mm | mm | mm | mm | mm | Holes | mm | mm | kg / piece |
1/2 | 21.30 | 95.30 | To be specified by | 14.20 | 52.30 | 21.30 | 38.10 | 35.00 | 4 | 15.70 | 66.55 | 0.87 |
3/4 | 26.70 | 117.3 | 15.70 | 57.15 | 26.70 | 47.80 | 42.90 | 4 | 19.10 | 82.60 | 1.45 | |
1 | 33.40 | 124.0 | 17.50 | 62.00 | 33.50 | 53.80 | 50.80 | 4 | 19.10 | 88.90 | 1.76 | |
11/4 | 42.20 | 133.4 | 20.60 | 66.55 | 42.20 | 63.50 | 63.50 | 4 | 19.10 | 98.60 | 2.49 | |
11/2 | 48.30 | 155.4 | 22.40 | 69.85 | 48.30 | 69.85 | 73. 15 | 4 | 22.40 | 114.3 | 3.49 | |
2 | 60.30 | 165. 1 | 25.40 | 73.15 | 60.45 | 84.10 | 91.90 | 8 | 19.10 | 127.0 | 4.36 | |
21/2 | 73.00 | 190.5 | 28.40 | 79.25 | 73.15 | 100.1 | 104.6 | 8 | 22.40 | 149.4 | 6.43 | |
3 | 88.90 | 209.6 | 31.75 | 82.60 | 88.90 | 117.3 | 127.0 | 8 | 22.40 | 168.1 | 8.53 | |
31/2 | 101.6 | 228.6 | 35.10 | 85.90 | 101.6 | 133.4 | 139.7 | 8 | 25.40 | 184.2 | 10.7 | |
4 | 114.3 | 273. 1 | 38.10 | 101.6 | 114.3 | 152.4 | 157.2 | 8 | 25.40 | 215.9 | 17.4 | |
5 | 141.3 | 330.2 | 44.50 | 114.3 | 141.2 | 189.0 | 185.7 | 8 | 28.40 | 266.7 | 29.2 | |
6 | 168.3 | 355.6 | 47.80 | 117.3 | 168.4 | 222.3 | 215.9 | 12 | 28.40 | 292.1 | 34.9 | |
8 | 219.1 | 419. 1 | 55.60 | 133.4 | 219.2 | 273.1 | 269.7 | 12 | 31.75 | 349.3 | 53.9 | |
10 | 273.0 | 508.0 | 63.50 | 152.4 | 273.0 | 342.9 | 323.8 | 16 | 35.10 | 431.8 | 86.5 | |
12 | 323.8 | 558.8 | 66.55 | 155.4 | 323.8 | 400.1 | 381.0 | 20 | 35.10 | 489.0 | 103 | |
14 | 355.6 | 603.3 | 69.85 | 165.1 | 355.6 | 431.8 | 412.7 | 20 | 38.10 | 527.1 | 122 | |
16 | 406.4 | 685.8 | 76.20 | 177.8 | 406.4 | 495.3 | 469.9 | 20 | 41.10 | 603.3 | 170 | |
18 | 457.2 | 743.0 | 82.60 | 184.2 | 457.2 | 546.1 | 533.4 | 20 | 44.50 | 654.1 | 204 | |
20 | 508.0 | 812.8 | 88.90 | 190.5 | 508.0 | 609.6 | 584.2 | 24 | 44.50 | 723.9 | 254 | |
24 | 609.6 | 939.8 | 101.6 | 203.2 | 609.6 | 717.6 | 692.1 | 24 | 50.80 | 838.2 | 358 | |
Class 900 对焊法兰:

Nominal Pipe Size | A | B | C | D | E | F | G | H | I | J | Weight | |
inch | mm | mm | mm | mm | mm | mm | mm | mm | Holes | mm | mm | kg / piece |
1/2 | 21.30 | 120.6 | To be specified by | 22.30 | 60.45 | 21.30 | 38.10 | 35.00 | 4 | 22.30 | 82.50 | 1.87 |
3/4 | 26.70 | 130.0 | 25.40 | 69.85 | 26.70 | 44.00 | 42.90 | 4 | 22.30 | 88.90 | 2.56 | |
1 | 33.40 | 149.3 | 28.40 | 73.15 | 33.50 | 52.30 | 50.80 | 4 | 25.40 | 101.6 | 3.74 | |
11/4 | 42.20 | 158.7 | 28.40 | 73.15 | 42.20 | 63.50 | 63.50 | 4 | 25.40 | 111.2 | 4.33 | |
11/2 | 48.30 | 177.8 | 31.70 | 82.50 | 48.30 | 69.85 | 73.15 | 4 | 28.40 | 123.9 | 5.94 | |
2 | 60.30 | 215.9 | 38.10 | 101.6 | 60.45 | 104.6 | 91.90 | 8 | 25.40 | 165.1 | 10.8 | |
21/2 | 73.00 | 244.3 | 41.10 | 104.6 | 73.15 | 123.9 | 104.6 | 8 | 28.40 | 190.5 | 15.0 | |
3 | 88.90 | 241.3 | 38.10 | 101.6 | 88.90 | 127.0 | 127.0 | 8 | 25.40 | 190.5 | 13.7 | |
4 | 114.3 | 292.1 | 44.40 | 114.3 | 114.3 | 158.7 | 157.2 | 8 | 31.70 | 234.9 | 22.5 | |
5 | 141.3 | 349.2 | 50.80 | 127.0 | 141.2 | 190.5 | 185.7 | 8 | 35.00 | 279.4 | 37.4 | |
6 | 168.3 | 381.0 | 55.60 | 139.7 | 168.4 | 234.9 | 215.9 | 12 | 31.70 | 317.5 | 47.7 | |
8 | 219. 1 | 469.9 | 63.50 | 162.0 | 219.2 | 298.4 | 269.7 | 12 | 38.10 | 393.7 | 81.3 | |
10 | 273.0 | 546.1 | 69.85 | 184. 1 | 273.0 | 368.3 | 323.8 | 16 | 38.10 | 469.9 | 119 | |
12 | 323.8 | 609.6 | 79.25 | 200. 1 | 323.8 | 419.1 | 381.0 | 20 | 38.10 | 533.4 | 157 | |
14 | 355.6 | 641.3 | 85.80 | 212.8 | 355.6 | 450.8 | 412.7 | 20 | 41.10 | 558.8 | 180 | |
16 | 406.4 | 704.8 | 88.90 | 215.9 | 406.4 | 508.0 | 469.9 | 20 | 44.40 | 615.9 | 217 | |
18 | 457.2 | 787.4 | 101.6 | 228.6 | 457.2 | 565.1 | 533.4 | 20 | 50.80 | 685.8 | 292 | |
20 | 508.0 | 857.2 | 107.9 | 247.6 | 508.0 | 622.3 | 584.2 | 20 | 53.80 | 749.3 | 362 | |
24 | 609.6 | 1041.4 | 139.7 | 292. 1 | 609.6 | 749.3 | 692.1 | 20 | 66.55 | 901.7 | 665 | |
Class 1500 对焊法兰:

Nominal Pipe Size | A | B | C | D | E | F | G | H | I | J | Weight | |
inch | mm | mm | mm | mm | mm | mm | mm | mm | Holes | mm | mm | kg / piece |
1/2 | 21.30 | 120.6 | To be specified by | 22.30 | 60.45 | 21.30 | 38.10 | 35.00 | 4 | 22.30 | 82.50 | 1.87 |
3/4 | 26.70 | 130.0 | 25.40 | 69.85 | 26.70 | 44.00 | 42.90 | 4 | 22.30 | 88.90 | 2.56 | |
1 | 33.40 | 149.3 | 28.40 | 73.15 | 33.50 | 52.30 | 50.80 | 4 | 25.40 | 101.6 | 3.74 | |
11/4 | 42.20 | 158.7 | 28.40 | 73.15 | 42.20 | 63.50 | 63.50 | 4 | 25.40 | 111.2 | 4.33 | |
11/2 | 48.30 | 177.8 | 31.70 | 82.50 | 48.30 | 69.85 | 73. 15 | 4 | 28.40 | 123.9 | 5.94 | |
2 | 60.30 | 215.9 | 38.10 | 101.6 | 60.45 | 104.6 | 91.90 | 8 | 25.40 | 165.1 | 10.8 | |
21/2 | 73.00 | 244.3 | 41.10 | 104.6 | 73.15 | 123.9 | 104.6 | 8 | 28.40 | 190.5 | 15.0 | |
3 | 88.90 | 266.7 | 47.70 | 177.3 | 88.9 | 133.3 | 127.0 | 8 | 31.70 | 203.2 | 19.9 | |
4 | 114.3 | 311.1 | 53.80 | 123.9 | 114.3 | 162.0 | 157.2 | 8 | 35.00 | 241.3 | 29.9 | |
5 | 141.3 | 374.6 | 73.15 | 155.4 | 141.2 | 196.8 | 185.7 | 8 | 41.10 | 292.1 | 55.4 | |
6 | 168.3 | 393.7 | 82.50 | 171.4 | 168.4 | 228.6 | 215.9 | 12 | 38.10 | 317.5 | 68.4 | |
8 | 219.1 | 482.6 | 91.90 | 212.8 | 219.2 | 292.1 | 269.7 | 12 | 44.40 | 393.7 | 117 | |
10 | 273.0 | 584.2 | 107.9 | 254.0 | 273.0 | 368.3 | 323.8 | 12 | 50.80 | 482.6 | 194 | |
12 | 323.8 | 673. 1 | 123.9 | 282.4 | 323.8 | 450.8 | 381.0 | 16 | 53.80 | 571.5 | 288 | |
14 | 355.6 | 749.3 | 133.3 | 298.4 | 355.6 | 495.3 | 412.7 | 16 | 60.45 | 635.0 | 380 | |
16 | 406.4 | 825.5 | 146.0 | 311. 1 | 406.4 | 552.4 | 469.9 | 16 | 66.55 | 704.8 | 485 | |
18 | 457.2 | 914.4 | 162.0 | 327.1 | 457.2 | 596.9 | 533.4 | 16 | 73.15 | 774.7 | 644 | |
20 | 508.0 | 984.2 | 177.8 | 355.6 | 508.0 | 641.3 | 584.2 | 16 | 79.25 | 831.8 | 775 | |
24 | 609.6 | 1168.4 | 203.2 | 406.4 | 609.6 | 762.0 | 692.1 | 16 | 91.90 | 990.6 | 1232 | |
Class 2500 对焊法兰:

Nominal Pipe Size | A | B | C | D | E | F | G | H | I | J | Weight | |
inch | mm | mm | mm | mm | mm | mm | mm | mm | Holes | mm | mm | kg / piece |
1/2 | 21.30 | 133.4 | To be specified by | 30.20 | 73. 15 | 21.30 | 42.90 | 35.00 | 4 | 22.40 | 88.90 | 3.12 |
3/4 | 26.70 | 139.7 | 31.75 | 79.25 | 26.70 | 50.80 | 42.90 | 4 | 22.40 | 95.30 | 3.70 | |
1 | 33.40 | 158.8 | 35.10 | 88.90 | 33.50 | 57.15 | 50.80 | 4 | 25.40 | 108.0 | 5.24 | |
11/4 | 42.20 | 184.2 | 38.10 | 95.30 | 42.20 | 73.15 | 63.50 | 4 | 28.40 | 130.0 | 7.74 | |
11/2 | 48.30 | 203.2 | 44.50 | 111.3 | 48.30 | 79.25 | 73.15 | 4 | 31.75 | 146. 1 | 10.9 | |
2 | 60.30 | 235.0 | 50.80 | 127.0 | 60.45 | 95.30 | 91.90 | 8 | 28.40 | 171.5 | 16.2 | |
21/2 | 73.00 | 266.7 | 57.15 | 142.7 | 73.15 | 114.3 | 104.6 | 8 | 31.75 | 196.9 | 23.7 | |
3 | 88.90 | 304.8 | 66.55 | 168.1 | 88.90 | 133.4 | 127.0 | 8 | 35.10 | 228.6 | 36.2 | |
4 | 114.3 | 355.6 | 76.20 | 190.5 | 114.3 | 165.1 | 157.2 | 8 | 41.10 | 273. 1 | 55.3 | |
5 | 141.3 | 419.1 | 91.90 | 228.6 | 141.2 | 203.2 | 185.7 | 8 | 47.80 | 323.9 | 92.5 | |
6 | 168.3 | 482.6 | 108 | 273.1 | 168.4 | 235.0 | 215.9 | 8 | 53.80 | 368.3 | 143 | |
8 | 219.1 | 552.5 | 127.0 | 317.5 | 219.2 | 304.8 | 269.7 | 12 | 53.80 | 438.2 | 215 | |
10 | 273.0 | 673.1 | 165.1 | 419.1 | 273.0 | 374.7 | 323.8 | 12 | 66.55 | 539.8 | 406 | |
12 | 323.8 | 762.0 | 184.2 | 463.6 | 323.8 | 441.5 | 381.0 | 12 | 73.15 | 619.3 | 572 | |
石油化工:炼油、天然气输送、化工设备
电力能源:电站锅炉、蒸汽管道、核电
船舶制造:船体管道、海洋工程
制药与食品:无菌管道、耐腐蚀介质输送
冶金与机械:高温高压设备、工业管道
水处理:供水、污水处理系统
航空航天:燃油系统、耐高压管路
上海著诚管件制造有限公司作为一家专业的工程制造服务商,在工业管道领域深耕多年,集加工制造、定制服务与销售于一体。公司可承接各类工业管道系统装配、预制管段加工、钢结构工程、防护围栏及非标金属构件定制项目。从材料切割、成型、打磨到焊接组装,我们提供一站式加工服务,助力客户缩短供应链、降低成本、提升项目执行效率。
质量把控:严格实施质量控制体系,从原料采购、加工工艺到产品交付,全流程把控产品的质量。
定制服务:我们始终坚持以项目需求为基础,为客户提供弯曲加工、切割成型、表面打磨、坡口处理及专业焊接等加工制造服务。
专业售后:经验丰富的业务团队,为客户提供专业的技术支持及问题解决方案。
上海著诚管件制造有限公司致力于为客户提供从图纸、加工制造再到成品交付的一站式解决方案,欢迎各类工程项目方、承包商及企业客户来电来图咨询,我们将为您提供专业的技术支持与高效的制造服务,期待成为您值得信赖的合作伙伴。
电话:18625862121